VIJAK-KLUP-PODL-LIMN-C-AW20-A2-3,9X25
br. art. 0126 283925

Nije dostupno
Trebate više informacija?
Kontaktirajte nas putem telefona ili e-maila?
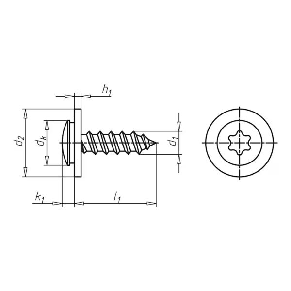
Vijak za prozorske klupice, sa PA podloškom, AW prihvat, grubi navoj. Za pričvršćivanje prozorskih klupica na aluminijumske i plastične prozore kao i limenih dijelova.
Please login to Webshop to report a bug
Osnovne karakteristike:
- AW ®-pogon (AW 20)
- Poboljšani prenos snage
- Duži radni vijek
- Optimalno centriranje
- Anulirano iskakanje odvijača
- Poliamid podloška (promjer: 12,0 mm), boja natur
- UV stabilna, promjena boje i lomljenje podloške minimalno
- Podlošk



